02 PPE17 CM3 ROTATION GAUCHE C
Hydrokit Part Number : P217S25ABS
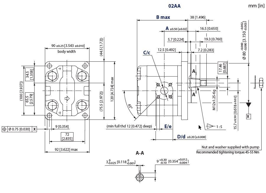
Technical information


Technical data
| Groupe | Groupe 2 | ||
| Displacement | 17 | cc/rev | |
| Rotation | Left - CCW | ||
| Flange | DIN | ||
| Shaft type | Tapered | ||
| Shaft size | 1/5 | ||
| Type de bride | Allemande (Carré) | ||
| Cote orifice d'aspiration | 40x40 (vis M6x100) | ||
| Cote orifice de refoulement | 35x35 (vis M6x100) | ||
| Marque | Sauer Danfoss / Turolla |