+33 (0) 251 344 528
Contact
Contact
Search
Our products
Menu
Close
Home
Agriculturaltest
Construction
Lorry and trailer
Environment
Pumps / multiplier gearboxes
Reservoirs
Filters
Heat exchangers
Hydraulic power units
Flow regulators
Accumulators
Pressure regulators
Spool valves
Safety valves
Hydraulic cylinders
High pressure components 700 bar
Hydraulic motors
Orbitrols
Adaptors
Electrical components
Workshop equipments
Hydroclips cases
Hydraulic hoses & inserts
Couplers / Multi-Couplers
High pressure cleaning equipment
Greasing components
Rotators
Special offers
Piston pump and motor repairs
On-site fitting
Our Locations
Catalogues
Shows
About Hydrokit
Our markets
Our company
Vensys Group
Services
Videos
Contact
Home
Agriculturaltest
Solutions for tractors
Solutions for front loaders
Solutions for brushcutters
Solutions for snow ploughs
Tools drive
Solutions for soil cultivation tools
Solutions for telescopic handlers
Greasing solutions
Harvesting machine solutions
Forestry solutions
Enclosure solutions
Trailer solutions
Solutions for tractors
Wheel cleaning system
Fire extinguishing system
Hydraulic top links
3rd hand kit for 3rd point
Hydraulic levelling boxes
CASE IH front axle clutches
Hydraulic clutch kits
Hydrostatic steering kits
Emergency directions
Lift assistance for agricultural tractors
Auxiliary spool valves
Function selector kits
Cliphydro®
Manual or electrical pressure release kits
Tractor front lift kits
Auxiliary spool valves
Full screen
Previous image
Next image
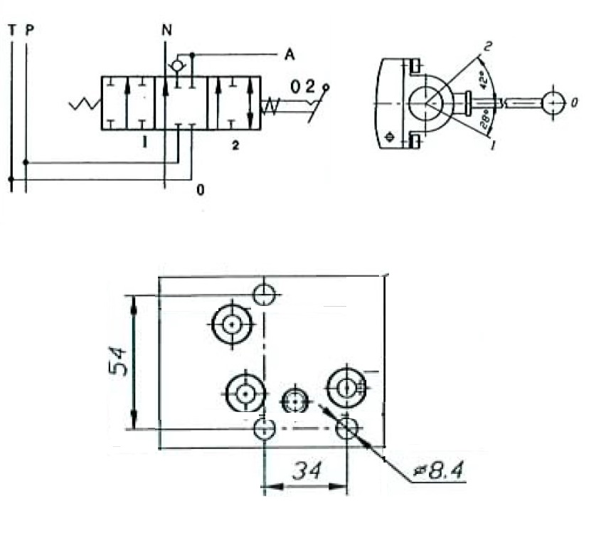
AUXILIARY HYDRAULIC SPOOL V
Hydrokit Part Number :
S030SB002
Print
Share
+33 (0) 251 344 528
Contact
Contact
Close
Looking for an immediate reply?
Contact us on +33 (0) 251 344 528
To check price
Create an account
or
Technical information
AUXILIARY HYDRAULIC SPOOL VALVE FOR TRACTOR CASE DA
Close
Share this product on
Facebook
Linkedin
Mail
Cancel
Close
Loading...