Kit graissage sur charrue 26 points
Référence Hydrokit : KG999X05V1
Informations techniques
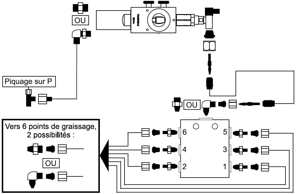
Possibilité de rajouter 2 points en utilisant les 2 orifices avec bouchons.
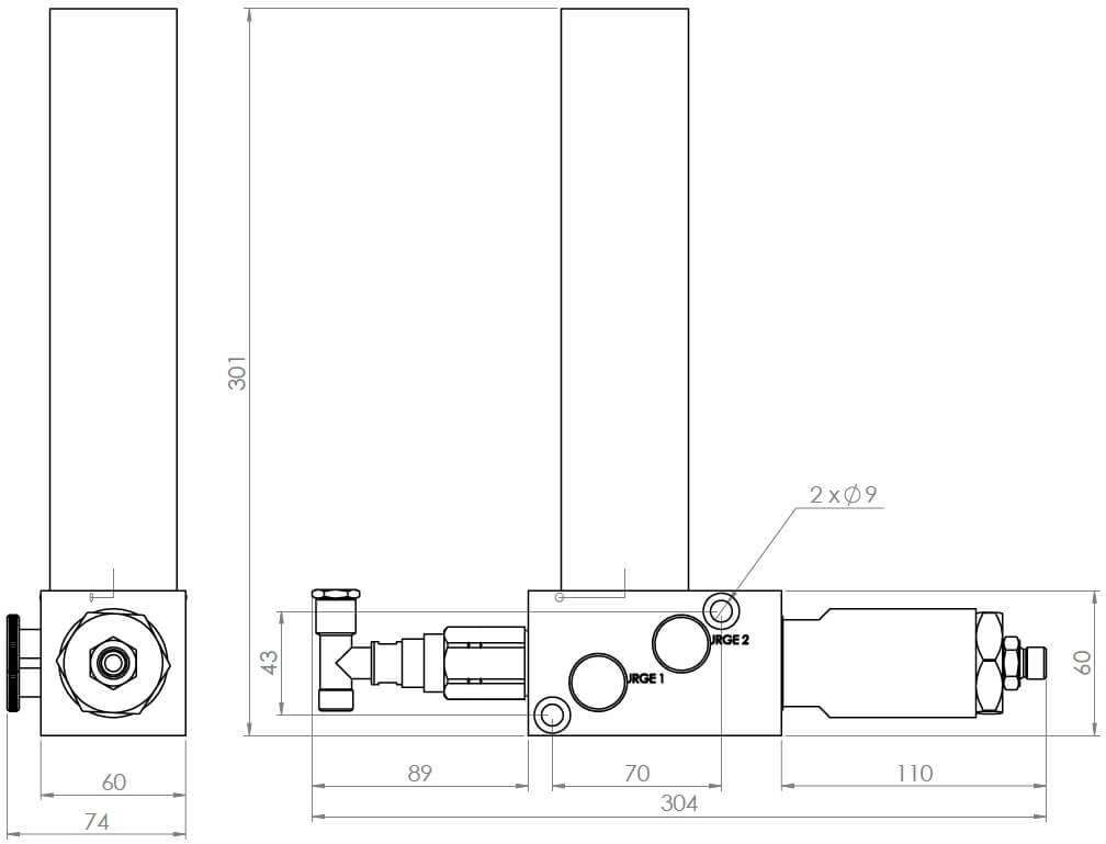
Dimensions et caractéristiques techniques - Version circuit simple effet Le kit comprend : P : Pression - M : Vers graissage - 1 : Réglage débit graissage - 2 : Purge Voici les avantages que vous allez avoir en intégrant un système de graissage automatique : - Réduction des frais de maintenance : lors d'un manque de graissage, les pièces ont tendances à gripper et nécessitent d'être changées (Axes ...). Exemple de branchement en 6 points :
> La pompe est activée par l'hydraulique de la machine : Une dose de graisse est envoyée à chaque fois que le levier de la fonction hydraulique est activé (une dose de graisse par montée en pression).
Pression hydraulique : 30 à 250 bar.
Pression d’amorçage de la pompe : 30 bar (Possibilité de pression d’amorçage inférieure sur demande).
Pression de service maximum du lubrifiant : 350 bar.
Température de service : -10 à 50°C.
Débit élément de pompage : 0,04 à 0,18 cm3/min.
Réglage du débit par vis avec contre-écrou.
• 1 pompe à source hydraulique (branchement en dérivation)
• 2 cartouches de graisse 400 grammes
• 1 support de pompe
• 1 distributeur progressif 2 à 8 sorties
• 1 ensemble de raccords et flexible hydraulique (flexible en 10L et raccords de piquage en 15L)
• 1 ensemble de raccords et flexibles de graissage
• 1 ensemble de visserie
• 1 bouchon PVC sur cartouche
• 1 notice détaillée
- Gain de temps : le graissage s'effectue automatiquement lors du fonctionnement de la machine. Le système s'intègre directement sur l'hydraulique de votre télescopique.
- Durée de vie du matériel prolongée.
- Graissage optimisé aux points stratégiques de votre télescopique.



