Valve conjoncteur disjoncteur pour charge d'accumulateur - G3/8 - 25L/min - 350bar - acier
Référence Hydrokit : PA78300069
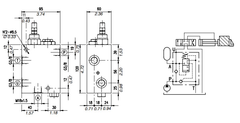
Informations techniques
Conjoncteur disjoncteur pour charge d'accumulateur
Bloc acier
G3/8 - 25L/min - 350bar maxi
pression de charge réglable de 5 à 110bar
hystérésis de 15%
Walvoil 1210022100 - VDA 38/TV.S.VRR/AC
Bloc acier
G3/8 - 25L/min - 350bar maxi
pression de charge réglable de 5 à 110bar
hystérésis de 15%
Walvoil 1210022100 - VDA 38/TV.S.VRR/AC
