Vérin Télescopique 2 éléments FIXATION HAUTE
Référence Hydrokit : V20760795HRD
Informations techniques
Simple effet.
Diamètre des 2 tiges : 61 et 76 mm.
Course : 795 mm.
Entraxe fermé : 150 mm.
Fixation Haute
Palier Ø35mm
Rotule Ø95mm
Diamètre des 2 tiges : 61 et 76 mm.
Course : 795 mm.
Entraxe fermé : 150 mm.
Fixation Haute
Palier Ø35mm
Rotule Ø95mm

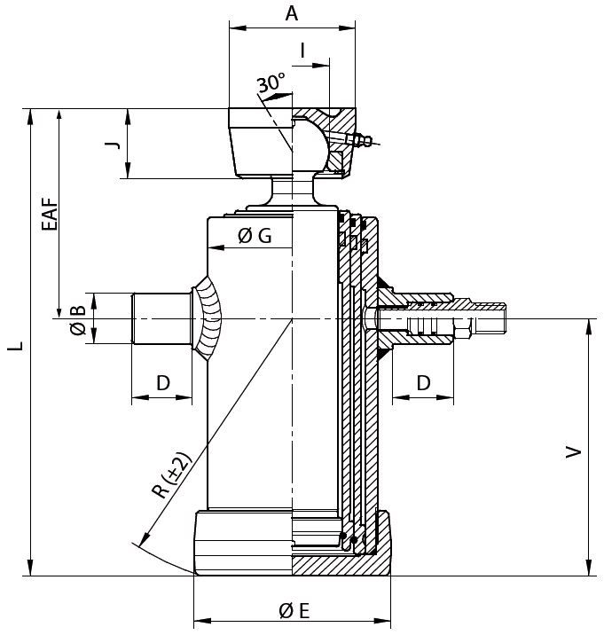
|
EAF (Entraxe fermé) |
Diamètre tige 1 |
Diamètre tige 2 |
Course |
A |
B |
V |
D |
E |
L |
R |
G |
I |
J |
Volume |
Force de poussée à 180 bar |
|
150 mm |
61 mm |
76 mm |
795 mm |
95 mm |
35 mm |
410 mm |
40 mm |
110 mm |
560 mm |
415 mm |
95 mm |
55 mm |
55 mm |
3 litres |
5,5 tonnes |
Caractéristiques techniques
| Nombre d'étages | 2 | ||
| Fixation | Palier Haut | ||
| Type de tête | Rotule | ||
| Diamètre de tête | 95 | mm | |
| Course | 795 | mm | |
| Entre axe fermé | 150 | mm | |
| Force à 180bars | 6 | Tonne | |
| Volume (litres) | 3 | L |