Vérin Télescopique 2 éléments FIXATION HAUTE
Référence Hydrokit : V20610525HD
Informations techniques
Simple effet.
Diamètre des 2 tiges : 46 et 61 mm.
Course : 525 mm.
Entraxe fermé : 101 mm.
Fixation haute
Palier Ø35mm
.
Diamètre des 2 tiges : 46 et 61 mm.
Course : 525 mm.
Entraxe fermé : 101 mm.
Fixation haute
Palier Ø35mm
.
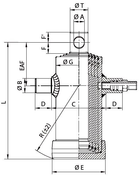
A = Ø perçage sur tige. B = Ø tourillon. C = Ø extérieur sans tourillon. D = Longueur du tourillon. E = Ø de la culasse. T = Ø tige. G = Ø corps extérieur. F = Entraxe tige-bord de tige côté vérin. F’ = Entraxe perçage tige-bout de tige.
- Pression nominale de service : 180 bar.
- Interchangeable avec d’autres marques.
- Traitement de la tige “TENIFER“ ou QPQ
- Facilement adaptable avec plusieurs types de fixation.
- Maintenance facile, fond vissé.

|
EAF (Entraxe fermé) |
Diamètre tige 1 |
Diamètre tige 2 |
Course |
A |
Diamètre B |
C |
D |
T |
E |
L |
R |
G |
F |
F' |
Volume |
|
101 mm |
46 mm |
61 mm |
525 mm |
26 mm |
35 mm |
102 mm |
40 mm |
44 mm |
94 mm |
376 mm |
278 mm |
80 mm |
24 mm |
25 mm |
1,3 litre |
Caractéristiques techniques
| Nombre d'étages | 2 | ||
| Fixation | Palier Haut | ||
| Type de tête | Standard | ||
| Diamètre de tête | 44 | mm | |
| Course | 525 | mm | |
| Entre axe fermé | 100 | mm | |
| Diamètre d'axe | 26 | mm | |
| Force à 180bars | 3.5 | Tonne | |
| Volume (litres) | 1.3 | L |