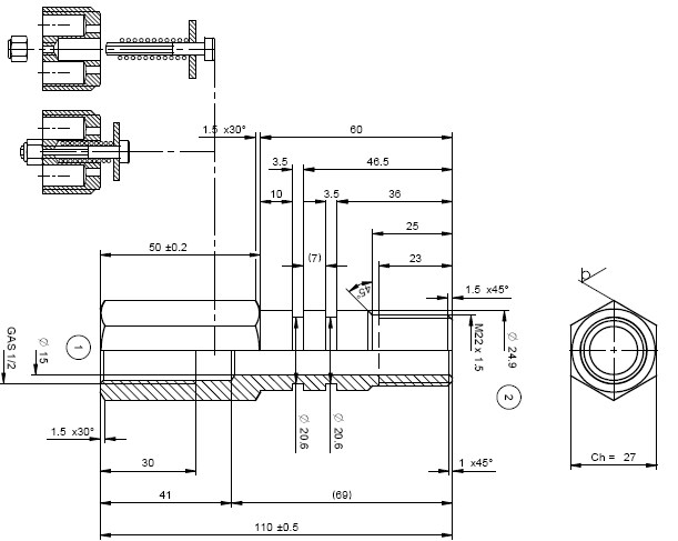
Raccord tournant parachute pour vérin télescopique M22 - Femelle 1/2G
Référence Hydrokit : CBMF221A012G
Informations techniques
pour vérin téléscopique
coté vérin : M22x150
coté tuyau : Femelle G1/2 + valve parachute
coté vérin : M22x150
coté tuyau : Femelle G1/2 + valve parachute
