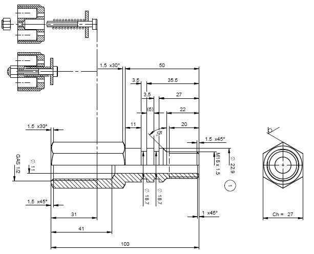
Raccord tournant parachute pour vérin télescopique M18 - Femelle 1/2G
Référence Hydrokit : CBMF181A012G
Informations techniques
pour vérin téléscopique
coté vérin : M18x150
coté tuyau : Femelle G1/2 + valve parachute
coté vérin : M18x150
coté tuyau : Femelle G1/2 + valve parachute
