Hydrokit

Vérin double effet sans fixations Ø20/40 - Course 50 mm - Entraxe fermé 180 mm

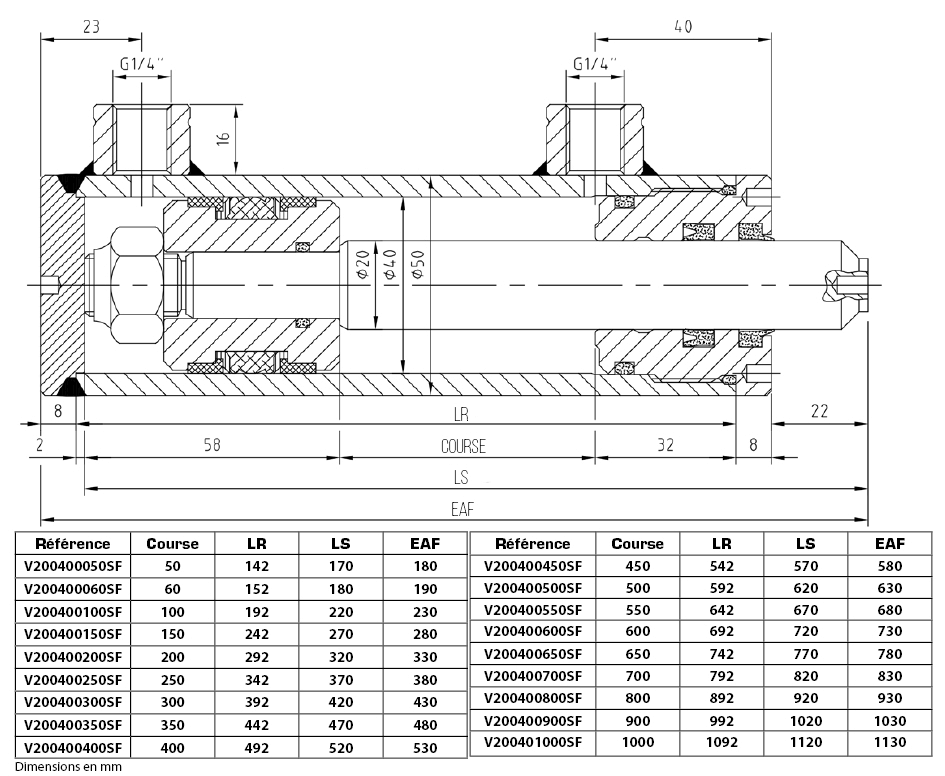
Référence Hydrokit : V200400050SF  

Pour voir le tarif

Informations techniques

Double effet.
Diamètre de tige : 20 mm.
Diamètre de fut exterieur : 50 mm.
Course : 50 mm.
Entraxe fermé : 180 mm.
Vérin type JOINER.
Pression de service : 200 bar.
Corps non peint.

Polyvalence : récupérez les fixations de votre vérin.
Rapidité : large gamme disponible rapidement.
Personnalisation : large choix de fixations.

 

Plan technique

Caractéristiques techniques

Course 50 mm
Fixation Sans
Type de vérin Double effet
Diamètre de tige 20 mm
Diamètre de piston 40 mm
Entre axe fermé 180 mm
Implantation G1/4