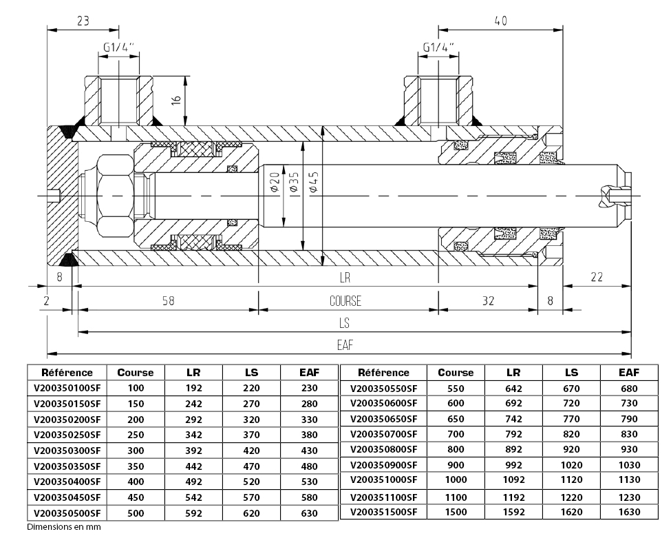
Vérin double effet sans fixations Ø20/35 - Course 200 mm - Entraxe fermé 330 mm
Référence Hydrokit : V200350200SF
Informations techniques
Double effet.
Diamètre de tige : 20 mm.
Diamètre de fut exterieur : 45 mm.
Course : 200 mm.
Entraxe fermé : 330 mm.
Vérin type JOINER.
Pression de service : 200 bar.
Corps non peint.
Diamètre de tige : 20 mm.
Diamètre de fut exterieur : 45 mm.
Course : 200 mm.
Entraxe fermé : 330 mm.
Vérin type JOINER.
Pression de service : 200 bar.
Corps non peint.
Polyvalence : récupérez les fixations de votre vérin.
Rapidité : large gamme disponible rapidement.
Personnalisation : large choix de fixations.

Caractéristiques techniques
| Course | 200 | mm | |
| Fixation | Sans | ||
| Type de vérin | Double effet | ||
| Diamètre de tige | 20 | mm | |
| Diamètre de piston | 35 | mm | |
| Entre axe fermé | 330 | mm | |
| Implantation | G1/4 |