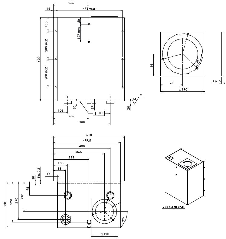
Réservoir 80 litres sans filtre retour 100 l/min 2x1"1/4 BSP
Référence Hydrokit : 701080
Informations techniques
Capacité utile : 80 litres.
Orifice : 2 x Ø1'1/4.
Orifice : 2 x Ø1'1/4.
- Réservoir acier 2 mm, livré en peinture extérieure d'apprêt noir.
- Équipé d'une jauge de niveau et d'un bouchon de remplissage.
- Filtration 30 µm nominal.
- Valve de by pass 1,5 bar.

|
Capacité utile |
Débit maximum |
Orifice platine |
|
80 litres |
100 l/min |
2 x Ø 1"1/4 BSP |
Caractéristiques techniques
| Volume réservoir utile | 80 | L | |
| Filtre retour | Sans | ||
| Type de réservoir | Mobile | ||
| Position | Verticale | ||
| Débit maxi recommandé | 100 | l/min | |
| Implantation | 2xG1-1/4 + 1xG1/2 | ||
| Matière | Acier |