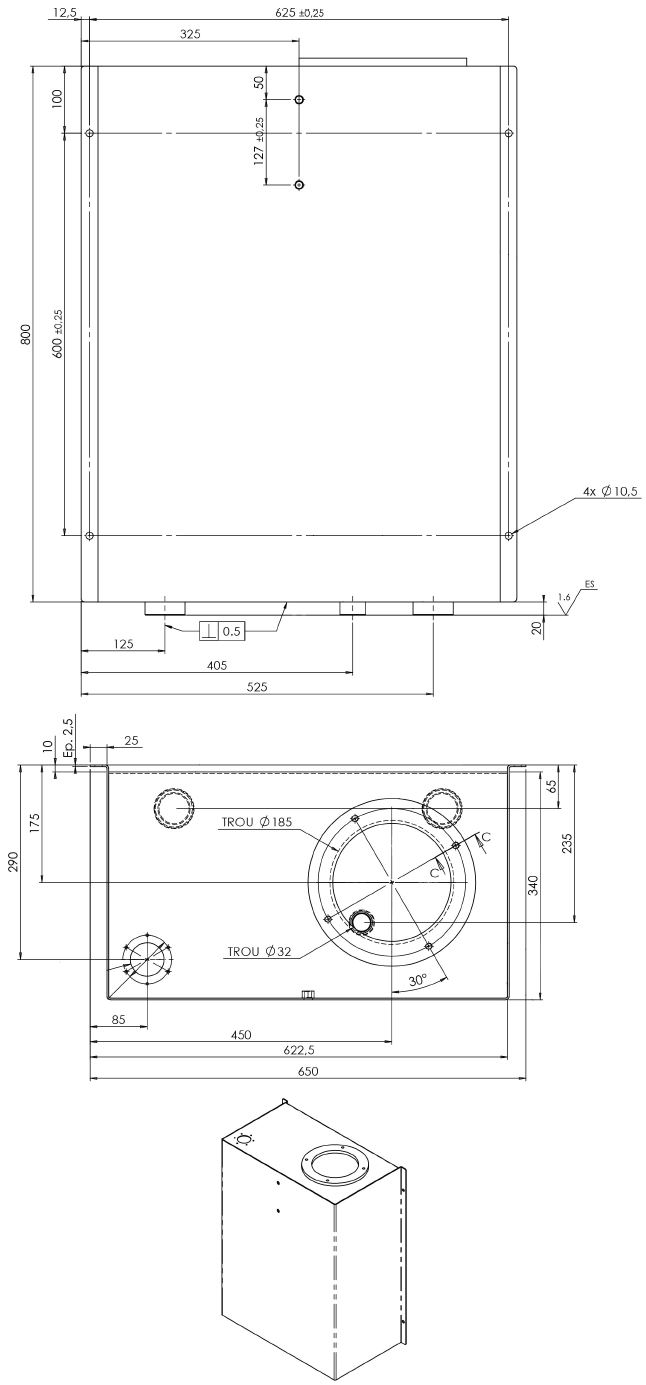
Réservoir 150 litres sans filtre retour 2x1"1/2 BSP
Référence Hydrokit : 701150
Informations techniques
Orifice : 2 x Ø1'1/2.
- Réservoir acier 2 mm, livré en peinture extérieur d'apprêt noir.
- Équipé d'une jauge de niveau et d'un bouchon de remplissage.

|
Capacité utile |
Orifice platine | |
|
150 litres |
2 x Ø 1"1/2 BSP |
Caractéristiques techniques
| Volume réservoir utile | 150 | L | |
| Filtre retour | Sans | ||
| Type de réservoir | Mobile | ||
| Position | Verticale | ||
| Débit maxi recommandé | 160 | l/min | |
| Implantation | 2xG1-1/2 + 1xG3/4 | ||
| Matière | Acier |