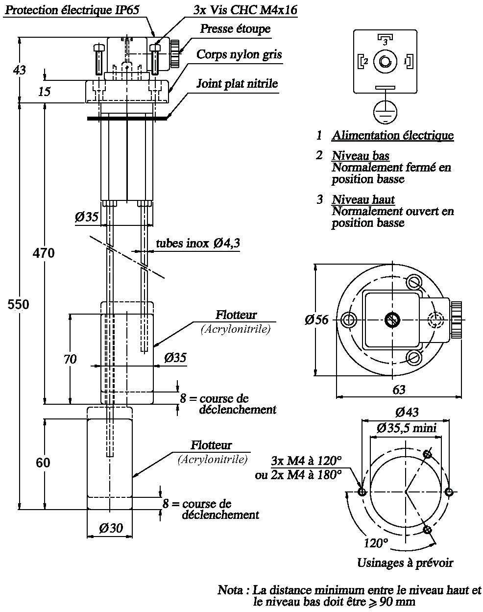
Indicateur de niveau bas électrique 2 seuils 550 mm à bride
Référence Hydrokit : INEF5502N
Informations techniques
INDIC NIV BAS ELEC 550 MM A BRIDE
1 ampère maximum.
2 seuils.
1 ampère maximum.
2 seuils.
Température de travail : -20 à +80°Celsius.
Pression maximum : 10 bar.
Contacts reeds : 1 A - 30 W - 30 VA - 250 V.
Utilisation non altérée en présence de particules ferreuses.

Caractéristiques techniques
Type d'accessoires | Indicateur niveau bas |