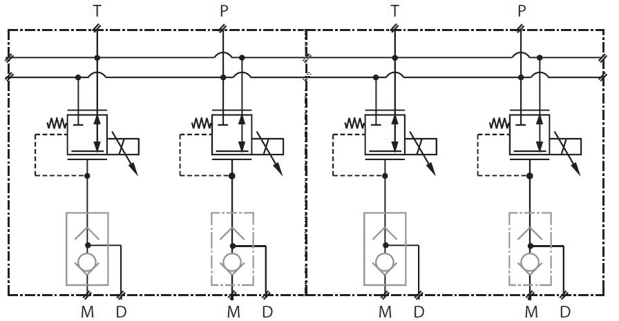
Bloc 2 fonctions double effet commande proportionnel PWM
Référence Hydrokit : KP999P03V1
Informations techniques
4 cartouches PWM 12/24Vdc - Plage de réglage : 5 à 30 bar.
Pression maximum : 40 bar.
Débit maximum : 5 l/min.
Sans clapet navette.
Pression maximum : 40 bar.
Débit maximum : 5 l/min.
Sans clapet navette.
