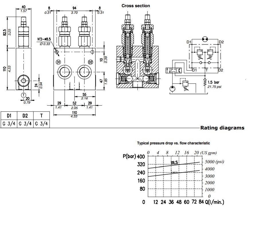
Bloc anti-choc anti-cavitation 5 voies 3/4 - 80 l/min - 350bar - Acier
Référence Hydrokit : LP080DE02V
Informations techniques
Débit maximum : 80 l/min.
Pression maximum de travail : 350 bar.
Plage de réglage : 100 à 300 bar.
Réglage par vis.
5 voies G3/4
Pression maximum de travail : 350 bar.
Plage de réglage : 100 à 300 bar.
Réglage par vis.
5 voies G3/4

Caractéristiques techniques
| Implantation | G3/4 | ||
| Débit maxi | 80 | l/min | |
| Matière | Acier | ||
| Pression maxi d'utilisation | 350 | bar | |
| Pression mini d'utilisation | 100 | bar |