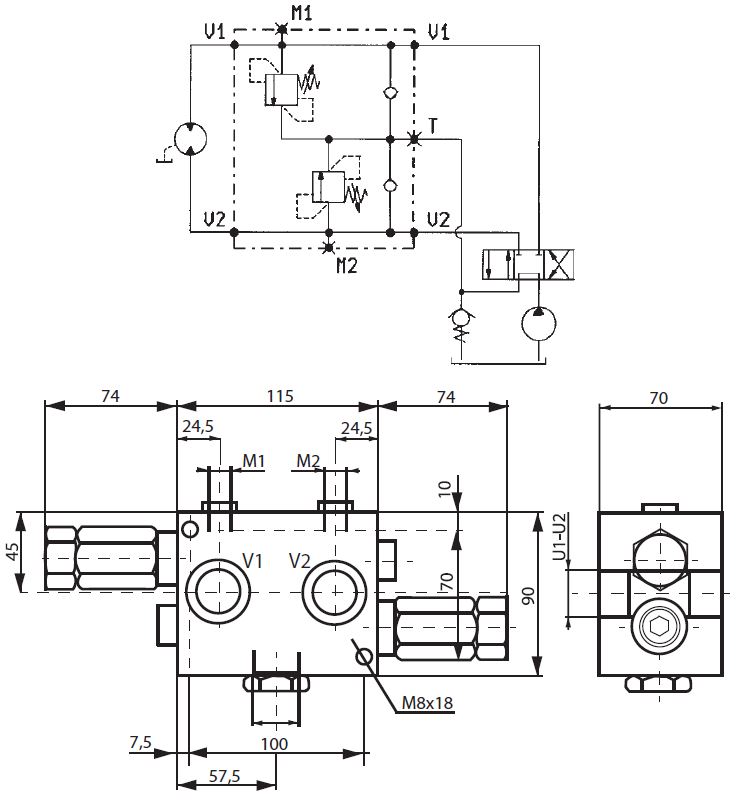
Bloc anti-choc anti-cavitation 5 voies 3/4 - 150 l/min
Référence Hydrokit : LP150KE01C
Informations techniques
Débit maximum : 150 l/min.
Pression de travail maximum : 350 bar.
Plage de réglage : 130 à 350 bar.
Réglage par vis.
5 voies G3/4.
Référence Bosch Rexroth : R930007403 051503030435000
Pression de travail maximum : 350 bar.
Plage de réglage : 130 à 350 bar.
Réglage par vis.
5 voies G3/4.
Référence Bosch Rexroth : R930007403 051503030435000
Protection moteur sur ligne auxiliaire. Implantation T - V1 - V2 : 3/4".
Protection moteur sur tourelle.
Protection vérin.
Implantation M1 - M2 : 1/4".

Caractéristiques techniques
| Implantation | G3/4 | ||
| Débit maxi | 150 | l/min | |
| Matière | Aluminium | ||
| Pression maxi d'utilisation | 350 | bar | |
| Pression mini d'utilisation | 130 | bar |