Régulateur de débit manuel 3 voies - 90L/min - Reg 0-55L/min + LP
Référence Hydrokit : RDR9055MC
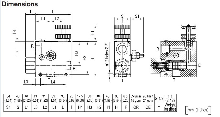
Informations techniques
Code : 0M330370030000A
Ancien code : OM3303700300000
Ancien code : OM3303700300000
code 0M330370030000A OM330370030000A

Caractéristiques techniques
| Débit maxi | 90 | l/min | |
| Pression maxi d'utilisation | 210 | bar | |
| Implantation orifices A&B et/ou R | G1/2 | ||
| Implantation orifice P | G1/2 | ||
| Type Régulation de débit | Manuelle 0 - 55 L/min | ||
| Limiteur de pression | Oui | ||
| Option | Sans option |