Régulateur de débit manuel 3 voies - 80L/min - Reg 0-60L/min
Référence Hydrokit : RDR8550MX1
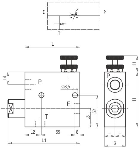
Informations techniques
Régulateur de débit 3 voies avec régulation de 0 à 60 L/min
• Débit maxi : 80 L/min
• Pression de fonctionnement : 350 Bar
• Implantation : 1/2 Gaz
• Débit maxi : 80 L/min
• Pression de fonctionnement : 350 Bar
• Implantation : 1/2 Gaz
Ce régulateur permet d’avoir un débit constant en P à un réglage donné, indépendamment de la pression ou du débit entrant dans la valve. Le débit résiduel doit être dirigé sans pression au réservoir (T). Les + produit : E : Entrée pression - P : Débit régulé - T : Au réservoir
• Bon rapport qualité/prix.
• Corps en acier zingué.

Caractéristiques techniques
| Débit maxi | 80 | l/min | |
| Pression maxi d'utilisation | 350 | bar | |
| Implantation orifices A&B et/ou R | G1/2 | ||
| Implantation orifice P | G1/2 | ||
| Type Régulation de débit | Manuelle 0 - 60 L/min | ||
| Limiteur de pression | Non | ||
| Option | Sans option |