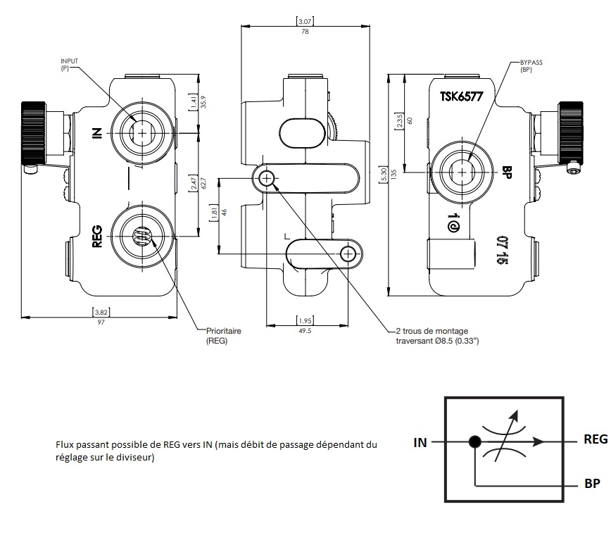
Diviseur de débit manuel 3 voies - 120L/min - Reg 0-75L/min
Référence Hydrokit : DDR12075MW1
Informations techniques
débit maxi en entrée : 120L/min
débit régulé : 0-76L/min
Pression maxi : 420bar
implantation : G3/4
Débit excédentaire réutilisable
débit régulé : 0-76L/min
Pression maxi : 420bar
implantation : G3/4
Débit excédentaire réutilisable

Caractéristiques techniques
| Débit maxi | 120 | l/min | |
| Pression maxi d'utilisation | 420 | bar | |
| Implantation orifices A&B et/ou R | G3/4 | ||
| Implantation orifice P | G3/4 | ||
| Type Régulation de débit | Manuelle 0 - 75 L/min | ||
| Limiteur de pression | Non | ||
| Option | Sans option |