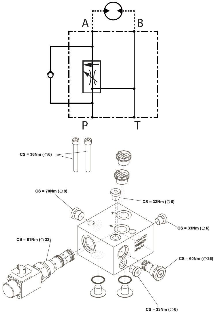
Bloc de régulation de débit 3 voies flasquable OMP/OMR 12V
Référence Hydrokit : DDP70501H1
Informations techniques
Flasquable sur moteur type OMP/OMR.
pression maxi : 315 Bar
débit en entrée maxi : 90L/min
débit régulé maxi : 50 / 55 L/min
Bobine : 15W - 12Vdc +-10% PWM
intensité maxi : 1.25A
Fréquence : 150Hz
Hystérisis : 8%
pression maxi : 315 Bar
débit en entrée maxi : 90L/min
débit régulé maxi : 50 / 55 L/min
Bobine : 15W - 12Vdc +-10% PWM
intensité maxi : 1.25A
Fréquence : 150Hz
Hystérisis : 8%
Caractéristiques :
- Pression maximum : 210 bar.
- Débit d'entrée : 70 litres/minute.
- Débit régulé : 0 à 50 litres/minute.
- Électrique 12 volts.
