Module de régulation de débit Danfoss EHF
Référence Hydrokit : E12DET2CO
Informations techniques
11-30VDC
ref Danfoss : 155U0905
ref Danfoss : 155U0905
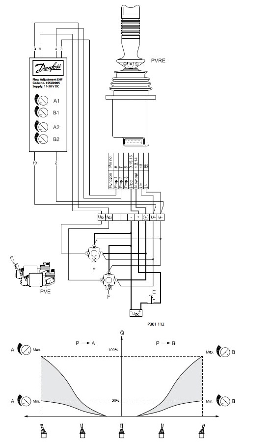
06/2023 : arret de production et non remplacé (utiliser Plus+1) Le module EHF doit être insérée entre le manipulateur électrique et le bobine PVE proportionnelle.
Il y a deux potentiomètres intégrés par fonction. Indépendamment l'un de l'autre, ceux-ci limitent la tension de signal et ainsi le débit en provenance des orifices A et B.
Le manipluateur conserve sa plage de régulation complète car l'EHF intègre un "Deadband compensation" et réduit la tension au lieu de la réduction mécanique de la plage de régulation du signal du manipulateur
