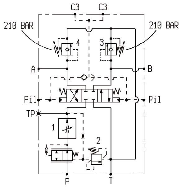
Bloc de distribution "LS Négatif" piloté hydrauliquement
Référence Hydrokit : PA64400008
Informations techniques
DISTRIBITEUR LS NEGATIF PILOTAGE HYDRAULIQUE 5-25B
P MAX 350 B P REGLABLE 105-210B REGLAGE USIINE 200B
P MAX RETOUR INFERIEUR A 1.5B
PILOTAGE 5-25B
Q REGLABLE 0.5-80L/MN
ANTICHOCS ANTICAVITATION REGLABLE 100-420B - MAX 350B - REGLAGE USINE 210B
P MAX 350 B P REGLABLE 105-210B REGLAGE USIINE 200B
P MAX RETOUR INFERIEUR A 1.5B
PILOTAGE 5-25B
Q REGLABLE 0.5-80L/MN
ANTICHOCS ANTICAVITATION REGLABLE 100-420B - MAX 350B - REGLAGE USINE 210B
Les + produit :
- Économique.
- S’adapte à toutes les machines en LS négatif, quel que soit le débit des pompes.
- Montage en parallèle du circuit de la machine.
|
Pression d'entrée maximum |
Pression de pilotage |
Débit vers l'outil |
Pression vers l'outil |
Implantation P, T, A et B |
Implantation Pil et C3 |
Implantation TP |
|
350 bar |
5 à 25 bar |
0,5 à 80 l/min |
100 à 350 bar |
1/2 JIS |
1/4 JIS |
1/4G |