Pompe Merlo Multifarmer double - 20+20cc aspi commune
Référence Hydrokit : P139008K
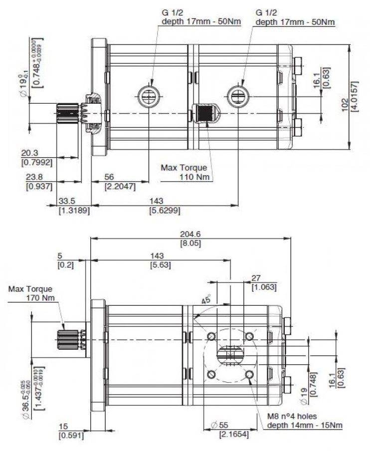
Informations techniques
20+20cm3/tr
aspiration commune sur corps arrière - bride carré 55x55
refoulement G1/2 x2
arbre 11 dents Ø19mm
Casappa 66603050 - PLP20.20-07-L**/GD/20.20-LBM/GD-S7
aspiration commune sur corps arrière - bride carré 55x55
refoulement G1/2 x2
arbre 11 dents Ø19mm
Casappa 66603050 - PLP20.20-07-L**/GD/20.20-LBM/GD-S7
