Kit by-pass BP80 27vdc pompe XPi80 à XPi130
Référence Hydrokit : BP80
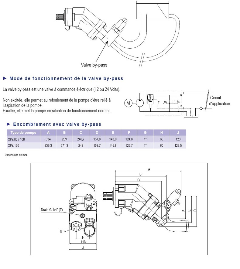
Informations techniques
Valve Flasquable à l'arriere des pompes Leduc XPi
bobine 27Vdc
pompe XPi80 à XPi130
ref Hydro Leduc : 0522140
bobine 27Vdc
pompe XPi80 à XPi130
ref Hydro Leduc : 0522140
Pour les cas d'emploi des pompes XPi entrainées par prise de mouvement non débrayable,
il existe une solution permettant l'utilisation continue de la pompe hydraulique :
- sans échauffement du fluide d'alimentation de la pompe
- sans altérer la durée de vie de la pompe
- sans avoir à modifier le circuit hydraulique de l'équipement du camion
