Pompe à engrenage - groupe 3 - 22 cm3 - arbre cannelé 13 dents - flasque SAE B - rotation gauche
Référence Hydrokit : P322S93BDS
Informations techniques
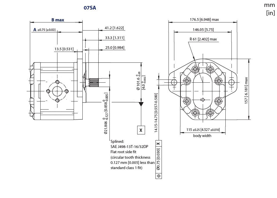
Pompe Groupe 3
Cylindree 22.1 cm3/tr
Sens de rotation Droite
Flasque SAE-B 2 trous Centrage 101.6mm
Type d'arbre Cannele
Cote de l'arbre SAEB 13 dents DP16/32
Type de bride Italienne (Losange)
Cote orifice d'aspiration 40x40 (Vis M8x125)
Cote orifice de refoulement 40x40 (Vis M8x125)
remplace Sauer SNP3/22S SC07 ..._C
Code Turolla 111.25.001.0A - SNP3NN/022LN07SAP1C7C7NNNN/NNN
Cylindree 22.1 cm3/tr
Sens de rotation Droite
Flasque SAE-B 2 trous Centrage 101.6mm
Type d'arbre Cannele
Cote de l'arbre SAEB 13 dents DP16/32
Type de bride Italienne (Losange)
Cote orifice d'aspiration 40x40 (Vis M8x125)
Cote orifice de refoulement 40x40 (Vis M8x125)
remplace Sauer SNP3/22S SC07 ..._C
Code Turolla 111.25.001.0A - SNP3NN/022LN07SAP1C7C7NNNN/NNN

