Pompe à engrenage camion 88cm3 - 250bar - arbre male PTO 1"3/8 6 cannelures G1"1/2
Référence Hydrokit : PCG388BCZMZ
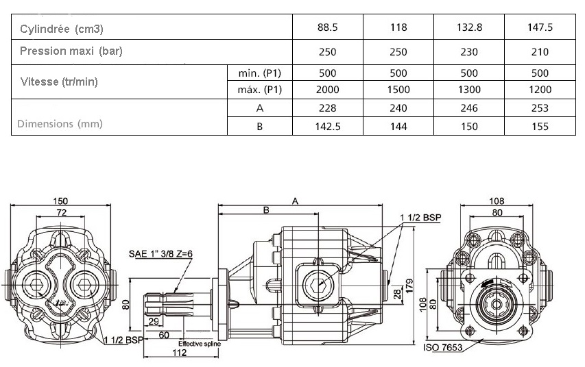
Informations techniques
Bidirectionnelle - 88.5cm3
Flasque ISO 4 Trous
Arbre PTO MALE 1"3/8
Orifices latéraux et arrieres G1"1/2
Pression maxi en continue : 250bar
Vitesse mini : 500 Tr/min
Vitesse maxi : 2000 Tr/min
Flasque ISO 4 Trous
Arbre PTO MALE 1"3/8
Orifices latéraux et arrieres G1"1/2
Pression maxi en continue : 250bar
Vitesse mini : 500 Tr/min
Vitesse maxi : 2000 Tr/min

Caractéristiques techniques
| Cylindrée | 88 | cm³/tr | |
| Sens de rotation | Bidirectionnel | ||
| Type d'arbre | Cannelé | ||
| Cote de l'arbre | PTO male 1"3/8 6 cannelures | ||
| Flasque | 4 trous std Camion Centrage Ø80mm | ||
| Cote orifice d'aspiration | 1"1/2 BSP | ||
| Cote orifice de refoulement | 1"1/2 BSP |