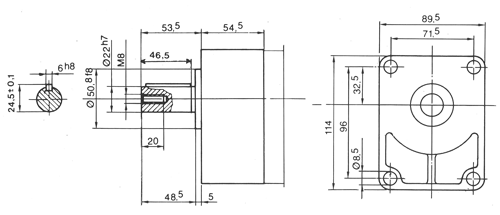
Contre palier GR2 - arbre cyl Ø22mm - standard italien + manchon conique 1/8
Référence Hydrokit : CP20
Informations techniques
Arbre cylindrique Ø22
pour pompe / moteur standard italien GR2 - arbre conique 1/8
pour pompe / moteur standard italien GR2 - arbre conique 1/8
Les contre-paliers sont employés pour les transmissions indépendantes de pompes hydrauliques, par courroie ou par chaînes, où sont présentes des grandes charges radiales. Ils sont directement bridés à la pompe et l'accouplement se fait par un demi-accouplement cannelé.
La durée de vie des contre-paliers est de 3500 heures à 1500 tr/mn, avec charge radiale de 318 daN.
Lubrification : Graisse aux normes DIN 51502 = MPF-1K-20.

|
Arbre de sortie |
Référence du contre-palier |
Manchon seul cannelé |
Joint de flasque |
|
Cylindrique Ø 22mm |
CP20 |
MCP2 |
JPF201 |
|
Conique 1/8 Ø 17.5mm |
CP20K |
MCP2 |
JPF201 |