Technische Informationen
Rapport 1:2.5
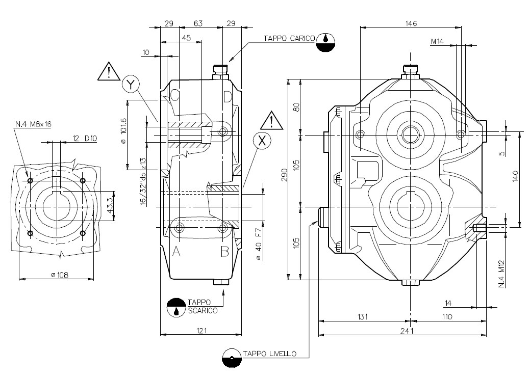
Arbre d'entrée femelle cylindrique claveté Ø40mm
Arbre de sortie femelle cannelé 16/32 13 dents - prédisposé pour pompe SAE B Gr3
vitesse d'entrée 540Tr/min - couple maxi 795N.m - 44KW
vitesse de sortie 1350 tr/min - couple 310 N.m
Livré sans huile
Arbre d'entrée femelle cylindrique claveté Ø40mm
Arbre de sortie femelle cannelé 16/32 13 dents - prédisposé pour pompe SAE B Gr3
vitesse d'entrée 540Tr/min - couple maxi 795N.m - 44KW
vitesse de sortie 1350 tr/min - couple 310 N.m
Livré sans huile

Caractéristiques techniques
| Rapport | 1/2.5 | ||
| Puissance maxi | 44 | KiloWatt | |
| Type d'arbre entrée | Femelle Cylindrique Ø40mm | ||
| Type d'arbre sortie | Femelle Z13 SAE B | ||
| Vitesse en entrée | 540 | Tr/min | |
| Vitesse en sortie | 1350 | Tr/min | |
| Couple maxi en entrée | 795 | N.m | |
| Couple maxi en sortie | 310 | N.m | |
| Type d'huile | SAE 90 | ||
| Volume maxi d'huile | 2 | L | |
| Poids | 20 | kg |