Multiplicateur 1:3.5 arbre Male PTO 1' 3/8 pour pompe gr2/3 - 90cv - 68Kw
Référence Hydrokit : MUL40M3518B
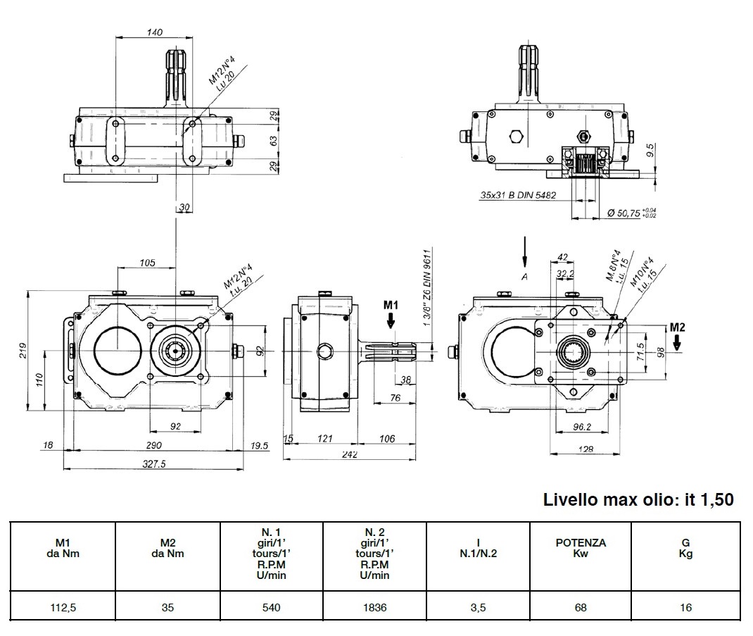
Informations techniques
Multiplicateur
Rapport 1:3,5
Entrée arbre mâle 1"3/8z6
Sortie Prédispo pompe Gr2-3 35x31z18 (code18)
Puissance à 540t=90ch - 68Kw
montage horizontal mais possible vertical
Livré sans huile
Rapport 1:3,5
Entrée arbre mâle 1"3/8z6
Sortie Prédispo pompe Gr2-3 35x31z18 (code18)
Puissance à 540t=90ch - 68Kw
montage horizontal mais possible vertical
Livré sans huile

Caractéristiques techniques
| Rapport | 1/3.5 | ||
| Puissance maxi | 68 | KiloWatt | |
| Type d'arbre entrée | Male PTO 1''3/8 Z6 | ||
| Type d'arbre sortie | Femelle Z18 Ppe G3/2 std Italien | ||
| Vitesse en entrée | 540 | Tr/min | |
| Vitesse en sortie | 1836 | Tr/min | |
| Couple maxi en entrée | 1125 | N.m | |
| Couple maxi en sortie | 350 | N.m | |
| Type d'huile | SAE 90 | ||
| Volume maxi d'huile | 1.5 | L | |
| Poids | 16 | kg |