Multiplicateur double R:3,5 G3-3.5 Male PTO 1"3/8 - 45KW
Référence Hydrokit : MUL45M352
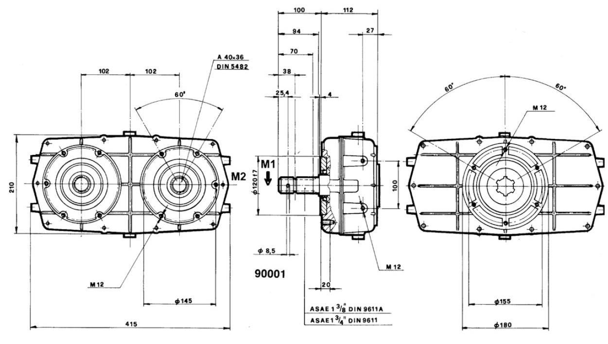
Informations techniques
Multiplicateur double 45kW
Rapport 1:3.5
Entrée male PTO 6 cannelures
Double sorties pour flasque DIN 5482 Z20
Livré sans huile
Rapport 1:3.5
Entrée male PTO 6 cannelures
Double sorties pour flasque DIN 5482 Z20
Livré sans huile


Caractéristiques techniques
| Rapport | 1/3.5 | ||
| Puissance maxi | 45 | KiloWatt | |
| Type d'arbre entrée | Male PTO 1''3/8 Z6 | ||
| Type d'arbre sortie | DIN5482 40X36 Z20 | ||
| Vitesse en entrée | 540 | Tr/min | |
| Vitesse en sortie | 1836 | Tr/min | |
| Couple maxi en entrée | 918 | N.m | |
| Couple maxi en sortie | 131 | N.m | |
| Type d'huile | SAE 90 | ||
| Volume maxi d'huile | 1.8 | L | |
| Poids | 18 | kg |