Bloc de sécurité 80l/min - LP 140 bar - AC 200 bar - 152-0020
Référence Hydrokit : OVP20
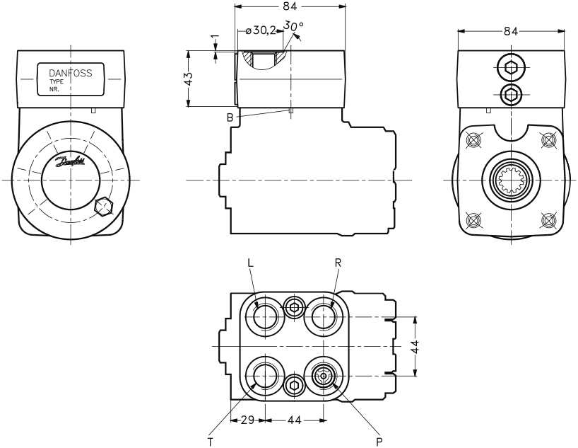
Informations techniques
Bloc de sécurité OVP20
P, T, L et R : G1/2
Débit maxi : 80l/min
Pression maxi du limiteur : 140 bar
Pression maxi anti-chocs : 200 bar
Référence Danfoss : 152-0020
P, T, L et R : G1/2
Débit maxi : 80l/min
Pression maxi du limiteur : 140 bar
Pression maxi anti-chocs : 200 bar
Référence Danfoss : 152-0020
hgf

|
Débit maxi (l/mn) |
Pression maxi limiteur (bar) |
Pression maxi antichocs (bar) |
Référence |
|
80 |
140 |
200 |
OVP20 |
|
80 |
90 |
- |
OVPR |