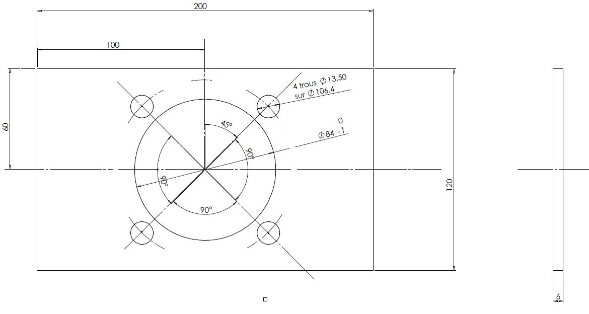
Support de fixation pour moteur OMS
Référence Hydrokit : 71010042
Informations techniques
compatible moteur type OMS , flasque centrage 82.58mm - 4 trous sur 106.4mm
épaisseur 6mm
Peinture appret noir
épaisseur 6mm
Peinture appret noir
