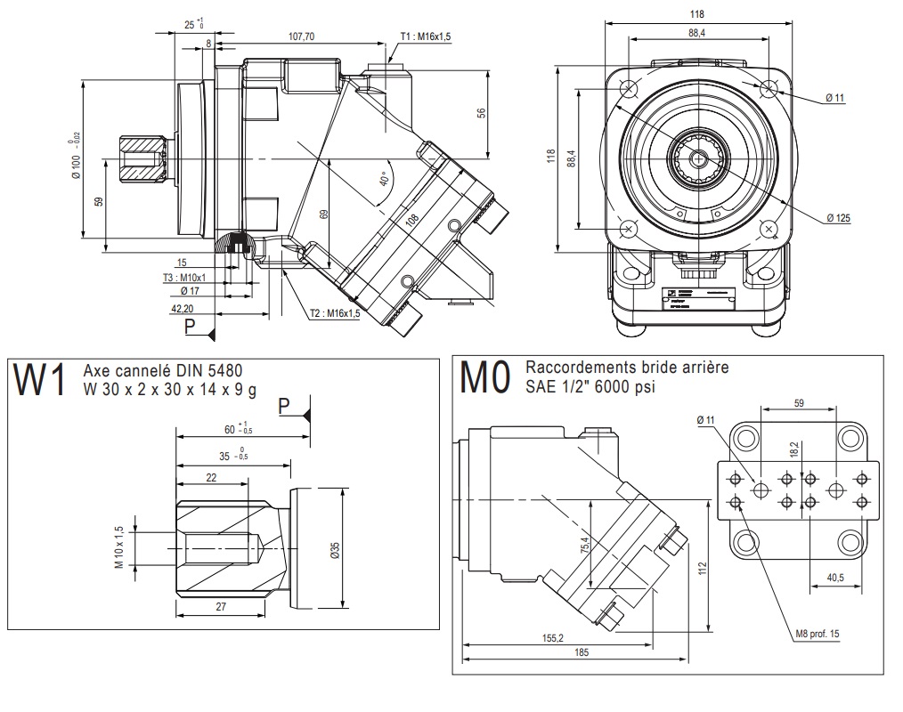
Moteur à pistons fixe 28cm3/tr - arbre cannelé 14 dents DIN5480 - M32
Référence Hydrokit : MPC028BEN0000LA
Informations techniques
Moteur à piston cylindrée fixe 28cm3
Arbre cylindrique cannelé 14 dents
Flasque ISO 3019-2 - centrage Ø100mm - 4 trous Ø125mm
vitesse maxi : 6300tr/min
Pression maxi : 400 bar
Raccordements bride arrière A et B SAE 1/2" 6000 psi
ref Hydro Leduc M28 A W1 M0 M2 0 0 SV F
Arbre cylindrique cannelé 14 dents
Flasque ISO 3019-2 - centrage Ø100mm - 4 trous Ø125mm
vitesse maxi : 6300tr/min
Pression maxi : 400 bar
Raccordements bride arrière A et B SAE 1/2" 6000 psi
ref Hydro Leduc M28 A W1 M0 M2 0 0 SV F

Caractéristiques techniques
| Type de composants | Moteur à pistons cylindrée fixe | ||
| Type de circuit hydraulique | CO & CF - Circuit ouvert et fermé | ||
| Cylindrée | 28 | cm³/tr | |
| Sens de rotation | Bidirectionnel | ||
| Flasque | 4 trous Centrage 100mm | ||
| Type d'arbre | Cannelé | ||
| Cote de l'arbre | 14 dents W30 DIN5480 | ||
| Type de régulation | Sans réglage | ||
| Option | Sans option |