Moteur engrenage GR2 bidirectionnel - 8.5 cm3 - 250bar - arbre cylindrique 15 mm
Référence Hydrokit : M208B1RBBS
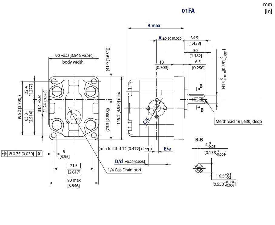
Informations techniques
Moteur Sauer GR2
Cylindree : 8 cm3.
Pression : 250 bar.
Flasque Italien
Arbre cylindrique 15mm.
Sens de rotation : Bidirectionnel drainage externe G1/4
Brides losanges 30x30
remplace Sauer SEM2/8. CI01 RWK1.
Code Turolla 121.19.102.00 - SEM2NN/8,0BN01FAM1C3C3NNNA/NNN
Cylindree : 8 cm3.
Pression : 250 bar.
Flasque Italien
Arbre cylindrique 15mm.
Sens de rotation : Bidirectionnel drainage externe G1/4
Brides losanges 30x30
remplace Sauer SEM2/8. CI01 RWK1.
Code Turolla 121.19.102.00 - SEM2NN/8,0BN01FAM1C3C3NNNA/NNN
Remplace Sauer Danfoss 00M06329 - SEM2/ 8 CI 01

