Informations techniques
- arret automatique - tension du ressort réglable
- 345 bar
26.72Kg
>> garantie 5 ans
>> attention livré sans tuyau
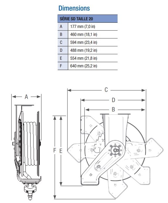
ref Graco : HPH5DK - type SD20
arret de production, à remplacer par serie LDX - SDX - XDX
Caractéristiques :
Conçu pour une utilisation quotidienne, dans les concessions automobiles, les ateliers d’entretien et de réparation de parcs automobiles, par exemple
• Châssis structurellement conçu par ingénierie, en acier de haute résistance qui ne se tord pas ni ne fléchit
• Le ressort longue durée apporte un couple constant sur l’ensemble de la plage de mouvement
• Positionnement flexible du bras de guidage pour montage sur banc de travail, au plafond, au mur ou dans un camion
• Bobine en acier pour les applications contraignantes
• Les orifices de passage orientables assurent un débit élevé et une perte de pression minimale
• Kits de carter disponibles – idéaux quand l’aspect et la protection sont des éléments importants
• Disponible en six couleurs. Le bleu métallique est la couleur standard
