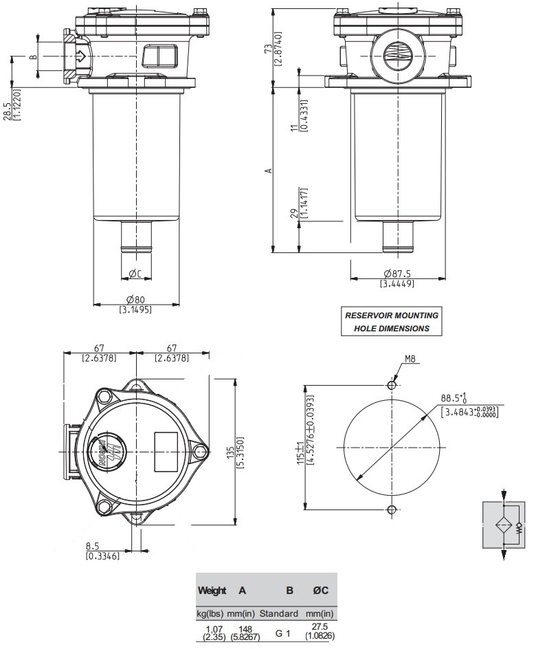
Filtre retour semi-immergé 10µ - 75L/min - 8 bar - G1" - HF502
Référence Hydrokit : FRS06010NB
Informations techniques
Code IKRON : HHR10830
Réf IKRON : HF502-20.122-AS-SP10-B17-GF-B-H-Z-X
Réf IKRON : HF502-20.122-AS-SP10-B17-GF-B-H-Z-X

Caractéristiques techniques
| Type de composants | Filtre semi-immergé | ||
| Débit maxi | 75 | l/min | |
| Pression maxi d'utilisation | 8 | bar | |
| Implantation | G1" | ||
| Degré de filtration | 10 | Micron | |
| Média Filtrant | Cellulose | ||
| Rapport Beta | 200 | ||
| Option | Bypass 1.7 bar |