Filtre retour en ligne 10µ - 125L/min - 12 bar - G1-1/4 - HF620
Référence Hydrokit : FRL12010AA
Informations techniques
Réf IKRON : HF620 30155 ASFG010B17GGBXNFPD
double Indicateur visuel de colmatage en série de type X Perte de charge dans la tête de filtre : Perte de charge au travers du média filtrant :



|
Filtration absolue (µm) |
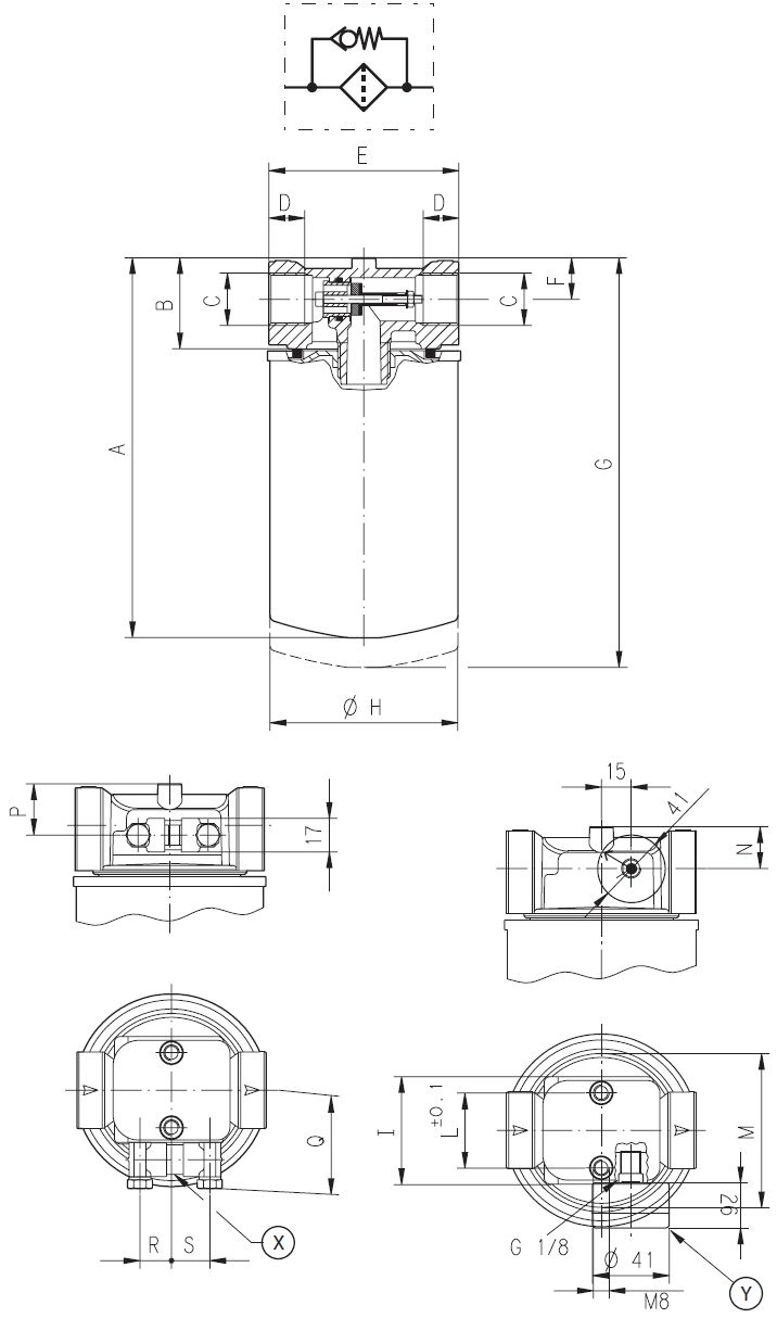
Implantation C |
Débit maximum |
A (mm) |
B (mm) |
D (mm) |
E (mm) |
F (mm) |
G (mm) |
H (mm) |
I (mm) |
L (mm) |
M (mm) |
P (mm) |
Q (mm) |
R (mm) |
S (mm) |
|
10 |
1"1/4 BSP |
125 l/min |
248 |
64 |
22 |
134 |
33 |
273 |
128 |
72 |
50 |
114 |
37 |
59 |
15 |
20,5 |
Caractéristiques techniques
| Type de composants | Filtre en ligne uni-directionnel | ||
| Débit maxi | 125 | l/min | |
| Pression maxi d'utilisation | 12 | bar | |
| Implantation | G1'1/4 | ||
| Degré de filtration | 10 | Micron | |
| Média Filtrant | Microfibre de verre | ||
| Rapport Beta | 200 | ||
| Option | Bypass 1.7 bar, Indicateur colmatage visuel |