Kit Sélecteur 4 fonctions - 3/4G 80L + Poignée de commande
Référence Hydrokit : 50421241K
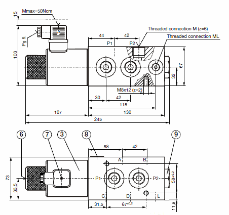
Informations techniques
Empilement de 3 sélecteurs = 10 voies = 5 fonctions supplémentaires
-Orifices G3/4 - Drain G1/4
-Débit maxi : 120L/min
-Pression maxi : 315bar avec drain - 210bar drain bouché
-Bobine 12Vdc - 45W
+ Poignée de commande cablé
- câble d'alimentation 2m avec fusible
- câble de commande 6m
- poignée avec taraudage M10x1.5
-Orifices G3/4 - Drain G1/4
-Débit maxi : 120L/min
-Pression maxi : 315bar avec drain - 210bar drain bouché
-Bobine 12Vdc - 45W
+ Poignée de commande cablé
- câble d'alimentation 2m avec fusible
- câble de commande 6m
- poignée avec taraudage M10x1.5
- Le sélecteur empilable augmente le nombre de fonctions.
- Jusqu’à 5 fonctions supplémentaires avec un seul distributeur.
- Facile à installer, kit assemblé (hydraulique et électrique)

Fonctions supplémentaires | Câble (m) | Tension (V) | Pression (bar) | Débit 80 l/min en 3/4G | ||
Alimentation | Electro | Sans drain | Avec drain | |||
1 | 2 | 6 | 12 | 210 | 315 | 50421221K |
2 | 2 | 6 | 12 | 210 | 315 | 50421231K |
3 | 2 | 6 | 12 | 210 | 315 | 50421241K |
4 | 2 | 6 | 12 | 210 | 315 | 50421251K |
5 | 2 | 6 | 12 | 210 | 315 | 50421261K |