Robinet à boisseau sphérique 3 voies en T - 180° - G1/2 - Femelle - 350bar
Référence Hydrokit : RBS3012T
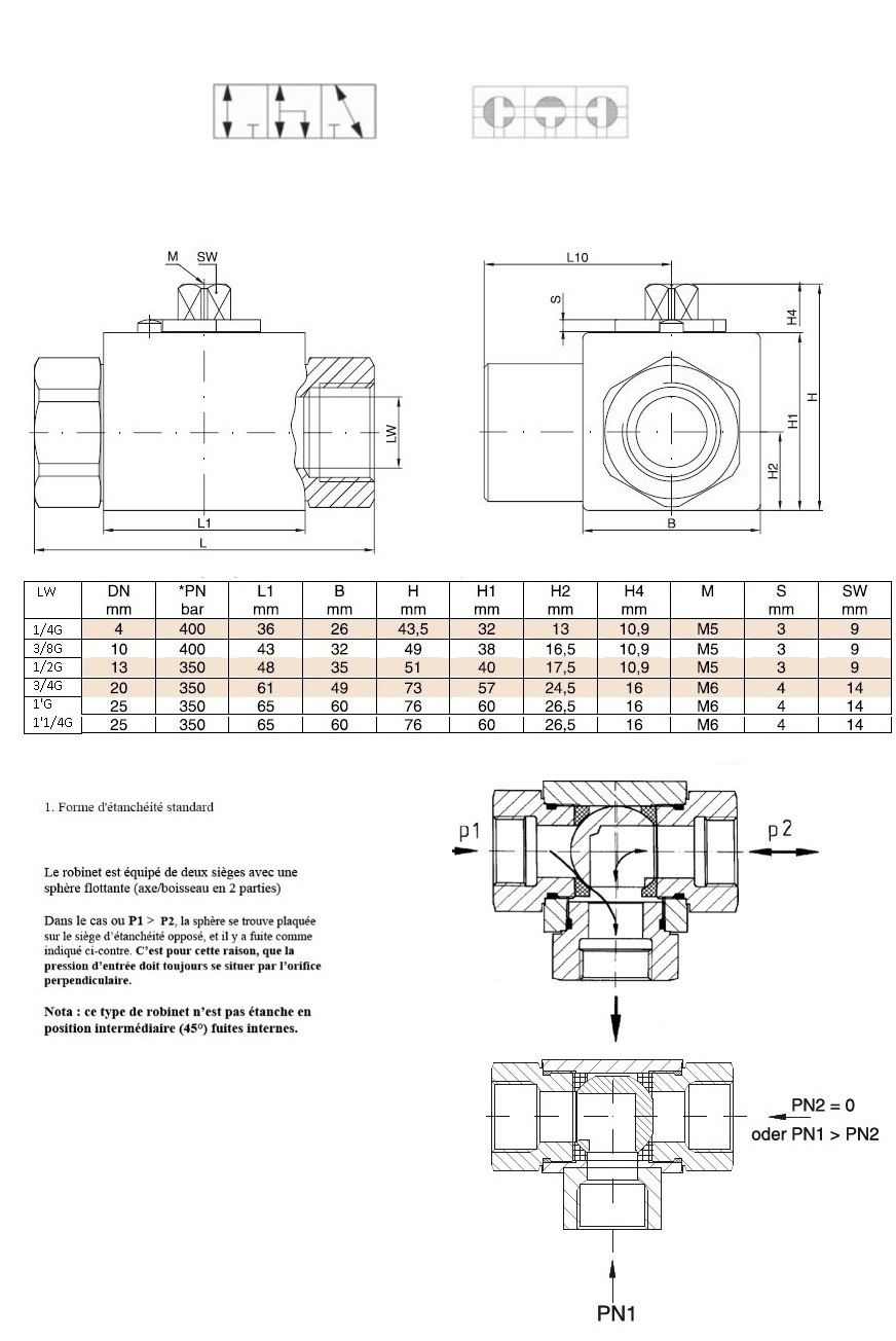
Informations techniques
carré 9mm
Ne supporte pas la pression sur l'orifice fermé (voir shéma)

Caractéristiques techniques
| Nombre de voies | 3 | ||
| Pression maxi d'utilisation | 350 | bar | |
| Implantation | G1/2 | ||
| Forme du raccord | Femelle |