Fin de course normalement fermé G3/4 - 120 l/min 350bar - à tirer/pousser
Référence Hydrokit : FCNF034OM2
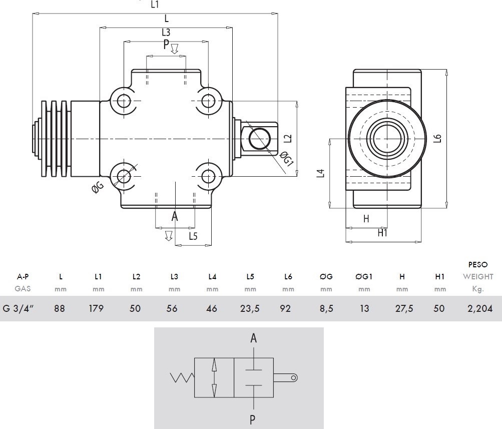
Informations techniques
FIN DE COURSE NO G3/4" 120L/MIN 350 BAR
COURSE MAXI 15.5MM
COURSE MAXI 15.5MM

Caractéristiques techniques
| Type(s) Tiroir(s) | Normalement fermé NF | ||
| Débit maxi | 120 | l/min | |
| Pression maxi d'utilisation | 350 | bar |