Bloc 2/2 NF à tiroir - 70L/min - arret d'urgence manuel rouge
Référence Hydrokit : TNFT012ARUOM
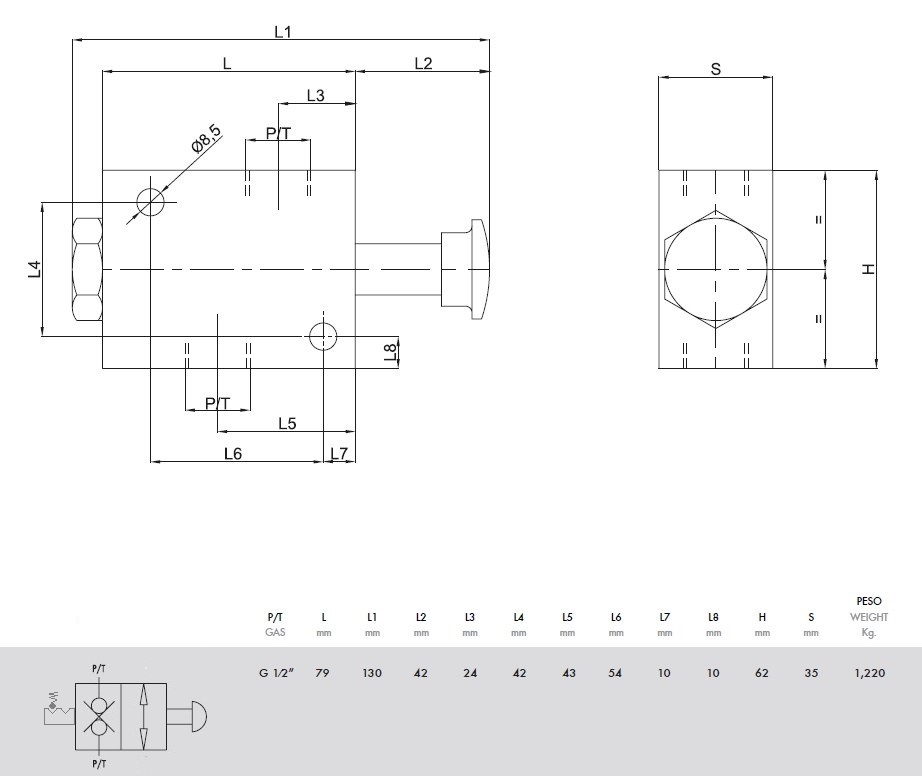
Informations techniques
BLOC 2/2 NF A TIROIR
ARRET D'URGENCE hydraulique MANUEL cranté
commande bouton Rouge à frapper
débit passant (by-pass) si enfoncer
G1/2 - 70L/min - 350bar
ARRET D'URGENCE hydraulique MANUEL cranté
commande bouton Rouge à frapper
débit passant (by-pass) si enfoncer
G1/2 - 70L/min - 350bar

Caractéristiques techniques
| Type(s) Tiroir(s) | Normalement fermé NF | ||
| Débit maxi | 70 | l/min | |
| Pression maxi d'utilisation | 350 | bar |