Electrovanne à tiroir 5/3 - LS Proportionnel - 3/4SAE- 12vdc - 22 l/min - 250bar
Référence Hydrokit : T4LT0141AFLSP
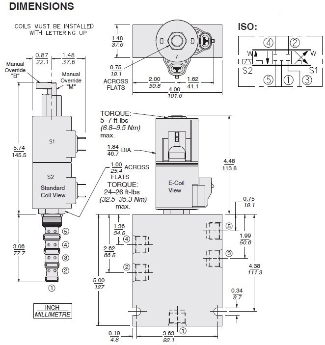
Informations techniques
avec signal LS Load Sensing - proportionnel
bobine 12Vdc - prise deutsch DT04-2P
22L/min - 250 bar max
A&B & P&T fermé au neutre
Implantation SAE 3/4-16
bobine 12Vdc - prise deutsch DT04-2P
22L/min - 250 bar max
A&B & P&T fermé au neutre
Implantation SAE 3/4-16

Caractéristiques techniques
| Type(s) de commande(s) | Commande Electrique 12vcc | ||
| Tension | 12 VCC | Volt | |
| Type de courant | Continu Vcc | ||
| Implantation | SAE | ||
| Débit maxi | 22 | l/min |