Electrovanne à tiroir 3/2 - G3/4 - 24vdc - 140 l/min - 315bar - recouvrement négatif
Référence Hydrokit : T3AT0342BW
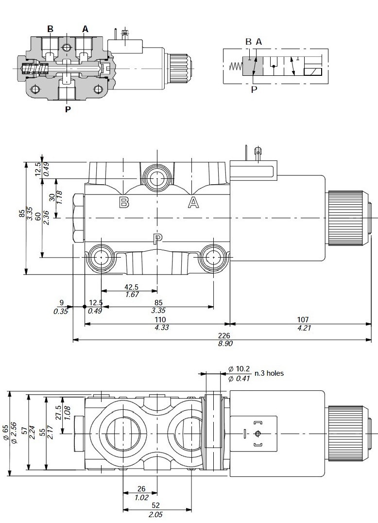
Informations techniques
Débit Maxi 140L/min
Pression maxi 315bar avec drain
200bar drain bouchonné (G1/4)
Recouvrement négatif
Implantation G3/4
Pression maxi 315bar avec drain
200bar drain bouchonné (G1/4)
Recouvrement négatif
Implantation G3/4

Caractéristiques techniques
| Type(s) de commande(s) | Commande Electrique 24vcc | ||
| Tension | 24 VCC | Volt | |
| Type de courant | Continu Vcc | ||
| Implantation | G3/4 | ||
| Débit maxi | 140 | l/min |