Section PVG32 PVB pression constante - T0 - balance - AC - G1/2
Référence Hydrokit : 11166045
Informations techniques
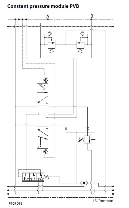
module PVB pour gestion pression constante
Compatible avec tiroir PC uniquement
avec T0
prédispo antichoc - anti cavitation
LsA/LsB commun : réglage de la Pmax (possibilité pilotage externe)
implantation G1/2 - 100L/min maxi
ref Danfoss 11166045
Compatible avec tiroir PC uniquement
avec T0
prédispo antichoc - anti cavitation
LsA/LsB commun : réglage de la Pmax (possibilité pilotage externe)
implantation G1/2 - 100L/min maxi
ref Danfoss 11166045
Application sur trancheuse, scie, lame à neige, forestier, treuil, travail du sol..
