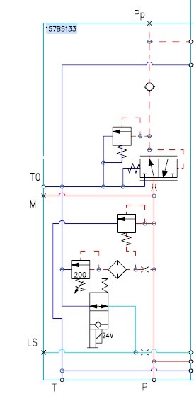
Plaque d'entree LS G3/4 - avec t0 - pve + piquage BP + PVPX
Référence Hydrokit : 157B5133
Informations techniques
avec T0
basse pression pour PVE + piquage BP
emplacement PVPX
Danfoss 157B5133 - PVP32-BSP-CC-PPRV-LSRV-PVPX-T0
basse pression pour PVE + piquage BP
emplacement PVPX
Danfoss 157B5133 - PVP32-BSP-CC-PPRV-LSRV-PVPX-T0

Caractéristiques techniques
| Type plaque d'entrée PVG | PVP - Plaque d'entrée latéral (Standard) | ||
| Type de circuit hydraulique | LS - Load sensing | ||
| Implantation | G3/4 | ||
| Option Drain T0 | Oui | ||
| Option Coupure PVPX | Oui | ||
| Option basse pression PVE / PVH | Pour bobine PVE - 15bar |