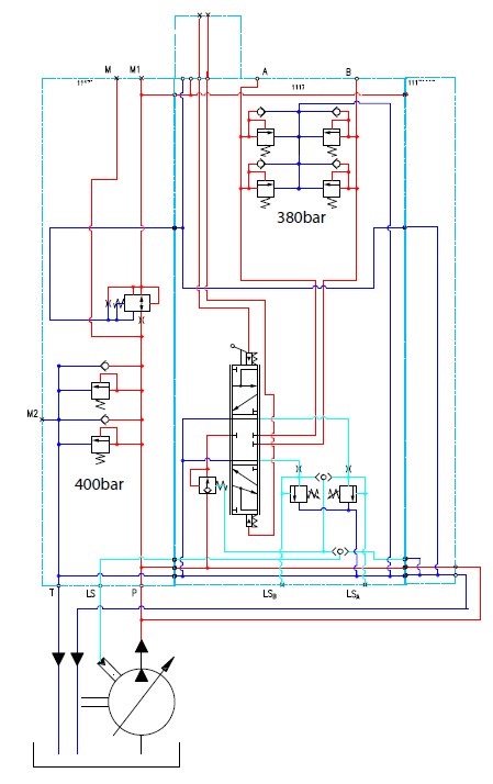
Distributeur PVG128 - 1DE 240L/min - 400BAR - LS - AC - Pilotage Basse pression - brides SAE
Référence Hydrokit : DP400A240H01
Informations techniques
PVG128 - commande basse pression + manuel
plaque d'entrée centre fermé LS - sans LP (antichoc 400bar)
P: 1'1/4 SAE6000 - T:1'1/2 SAE6000 - T0: G1/4' LS :G3/8'
Section 240L/min + antichoc 380bar
-LsA-B réglé usine à 300bar
-A&B 3/4 SAE6000
plaque de fermeture T:1'1/4 SAE6000 - P: 1' SAE6000
plaque d'entrée centre fermé LS - sans LP (antichoc 400bar)
P: 1'1/4 SAE6000 - T:1'1/2 SAE6000 - T0: G1/4' LS :G3/8'
Section 240L/min + antichoc 380bar
-LsA-B réglé usine à 300bar
-A&B 3/4 SAE6000
plaque de fermeture T:1'1/4 SAE6000 - P: 1' SAE6000
