Section distributeur empilable compact BDL3 - 4/3 - schéma J - 12V - prédispo pour bloc modulaire
Référence Hydrokit : DUD32012CJR2
Informations techniques
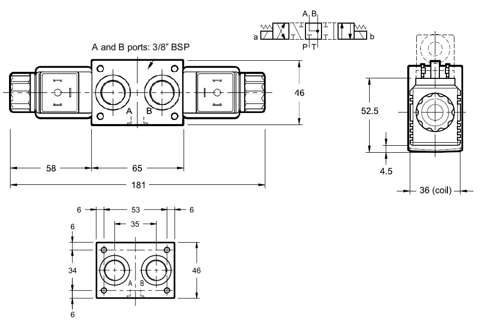
Section 4/3 BDL3
Schéma J A&B --> T (chaise renversé)
Tension 12 volts connecteur DIN
Section avec 4 trous M5 de fixations 34x53mm --> prédispo pour clapet modulaire BD3-CHM
Taraudage A&B : G3/8
Epaisseur : 46mm
Schéma J A&B --> T (chaise renversé)
Tension 12 volts connecteur DIN
Section avec 4 trous M5 de fixations 34x53mm --> prédispo pour clapet modulaire BD3-CHM
Taraudage A&B : G3/8
Epaisseur : 46mm

Caractéristiques techniques
| Type de composants | Section de distributeur 4/3 | ||
| Tension | 12 VCC | Volt |