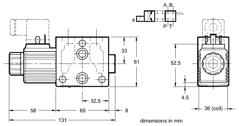
Section distributeur empilable compact BDL2 - 4/2 - schéma T - 12V
Référence Hydrokit : DUD31012CTR1
Informations techniques
Section 4/2 BDL2
Schéma T
Tension 12 volts connecteur DIN
Schéma T
Tension 12 volts connecteur DIN

Caractéristiques techniques
| Type de composants | Section de distributeur 4/2 | ||
| Tension | 12 VCC | Volt |