Section distributeur empilable compact BDL2 - 4/2 - schéma R - 12V
Référence Hydrokit : DUD31012CRR1
Informations techniques
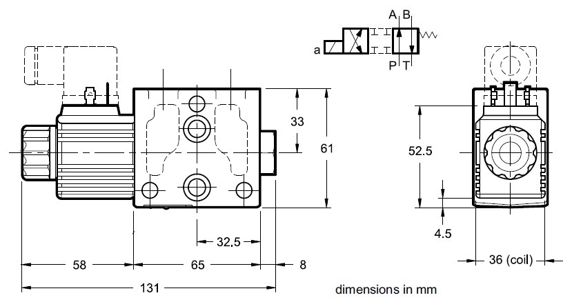
Section 4/2 BDL2
Schéma R - P>A -- B>T
Tension 12 volts connecteur DIN
Schéma R - P>A -- B>T
Tension 12 volts connecteur DIN

Caractéristiques techniques
| Type de composants | Section de distributeur 4/2 | ||
| Tension | 12 VCC | Volt |