Plaque d'entrée distributeur empilable compact - sans LP - sans bypass
Référence Hydrokit : DUE300000000
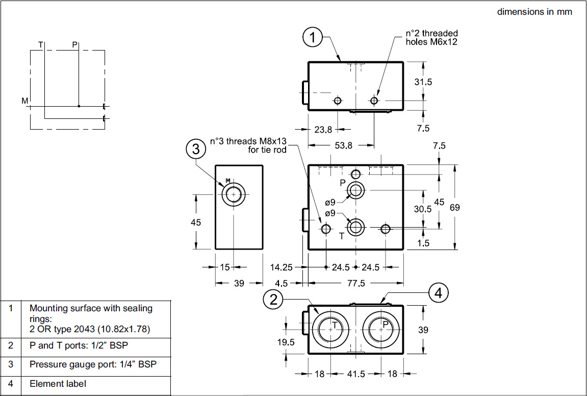
Informations techniques
Plaque d'entrée basic
40L/min maxi - 280bar
P et T G1/2
Prise de pression G1/4
40L/min maxi - 280bar
P et T G1/2
Prise de pression G1/4

Caractéristiques techniques
| Type de composants | Plaque d'entrée |